Linha

Refrigeração

Refrigeração

Os Tanques de Líquido da Rotamil são essenciais para armazenar fluidos refrigerantes em processos industriais, garantindo eficiência e segurança. Fabricados sob medida, atendem normas rigorosas e oferecem benefícios como controle de pressão e monitoramento preciso.

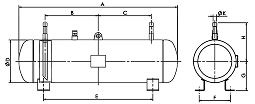
Os Tanques de Líquido Verticais e Horizontais da Rotamil são desenvolvidos para armazenar o líquido proveniente do condensador até que seja utilizado no evaporador, sendo indispensáveis em processos industriais que envolvem ciclos de troca térmica.

Fabricamos os tanques de líquidos para diversos fluidos refrigerantes com pressão de trabalho até 60 bar / 870 PSI e até 500 litros de volume.

Todos os tanques passam por testes rigorosos de acordo com as normas de segurança aplicáveis, sendo 100% verificados com teste pneumático (para modelos com diâmetro de 150mm) ou hidrostático (para diâmetros maiores, em conformidade com a NR-13).

Esses tanques são indicados para sistemas industriais de refrigeração, sistemas automotivos e condicionadores de ar, sendo projetados de acordo com os mais altos padrões de qualidade. Isso assegura segurança, eficiência e maior desempenho em operações de refrigeração.

Principais Benefícios dos Tanques de Líquido para Refrigeração:

Reservatório de
Líquido Refrigerante:

Funcionam como depósitos que garantem uma reserva de fluido refrigerante suficiente para manter a operação contínua e estável.

Controle de
Expansão e Contração:

Adaptam-se às alterações de volume do fluido refrigerante provocadas pelas variações de temperatura, evitando excesso de pressão no sistema.

Facilidade
na Circulação:

Projetados para permitir a movimentação eficiente do líquido refrigerante, posicionando-se estrategicamente no sistema.

Supervisão
dos Níveis:

Podem incluir indicadores ou sensores de nível, permitindo o monitoramento exato do volume do líquido refrigerante e assegurando o desempenho ideal do sistema.


Tem uma necessidade específica? Desenvolvemos para você!

Fabricados com materiais que atendem as mais exigentes normas de fabricação, os Tanques de Líquido da Rotamil são personalizados conforme as necessidades de cada cliente. A possibilidade de adicionar válvulas de segurança, válvulas de serviço e visores de nível garante flexibilidade e adequação a diferentes aplicações.

Principais Diferenciais

Customização:
Criamos peças conforme necessidade para atender especificações exclusivas.

Qualidade Garantida:
Produtos certificados com padrão ISO.

Atendimendo Personalizado
Atendimento dedicado, com suporte completo em todas as etapas,

nossos clientes
em refrigeração


Garantias de qualidade

Engenharia do Produto

Equipe de engenharia e desenvolvimento equipada tecnologicamente e bem treinada, garantindo que nossos clientes tenham sempre o melhor preço, qualidade e logística.

Engenharia do Processo

Contamos com profissionais altamente capacitados que atuam na engenharia de processo, utilizando o software CAD/CAM e programações CNC’s.

Engenharia de Qualidade

Colaboradores capacitados para aplicar e verificar as ferramentas da engenharia da qualidade, PFMEA, PAPP, APQP, MASP, CEP, entre outras

Certificado ISO

Gestão de qualidade

Baixar

Selo INMETRO

Portaria 120: Vasos de pressão com produção seriada

Entre em contato

Preencha o formulário abaixo para entrar em contato diretamente com um de nossos atendentes.

Fone: (54) 3224.7500
Geral: 54 9638-1777
Comercial Matriz: 54 9678-3390
SAC: 54 3224-7514

R. Danton Napoli Velho, 4755 - Maestra, 95046-110
Caxias do Sul/RS - Brasil

R. Danton Napoli Velho, 4755 - Maestra, 95046-110 - Caxias do Sul/RS - Brasil

A Rotamil não coleta nenhum dado automaticamente (cookies), mas o seu navegador poderá estar coletando as suas informações de navegação (cookies de terceiros).